Latest Post
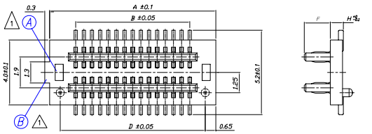
80 핀 커넥터 ( 베이스 보드용 )
첨부파일 : 0.5pitch(new).pdf




80 핀 커넥터 ( 베이스 보드용 )


l  CX-V310 보드, CX-S3C2450 보드 , CX-V210 보드에 장착하는 80핀 커넥터

l  CM-AM1808, CM-V310, CM-V210, CM-S3C2450 CPU 모듈에 베이스 보드 장착




Comments 0
:    :    :
이름 / 2014-11-20 / ★★★☆☆ [수정 / 삭제]

내용

New Products +more
CM-AM62P54 CPU Board 출시
초전력 모듈 보드 패키지